電 流:16A/32A
電 壓:110-130V~
極 數:2P+E
防護等級:IP44
16Amp
32Amp
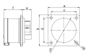
Poles
3
4
5
a×b
75
c×d
60
e
13
15
f
48
58
g
5.5
h
50
57
Wire flexible [mm2]
1-2.5
2.5-6
創新探索,開創未來
郵箱:cee@cncee.com
電話:057762968788
傳真:0577-62994888
QQ:860025678
地址:浙江省樂清市北白象鎮溫州大橋工業園區華山路1號